Hollywood Auto Body, Auto Repair Shop

Your one stop for full auto repair, Tune-ups, and auto Collisions Experts

full service auto shop in hollywood california
one stop auto shop in hollywood california about onestop auto shop hollywood one stop auto shop services hollywood auto shop faqs hollywood auto shop tune up specials hollywood auto shop photos contact onestop auto shop hollywood
Complete Auto Repair Services hollywod ca
OneStop Auto Repair

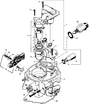
Carburetor


Is it better to rebuild or replace a carburetor or throttle body
Carburetor


If all the carburetor needs is cleaning and adjusting, then a kit will usually do the trick. A kit is also an option if the carburetor needs a gasket, diaphragm, needle valve, check valve, or other component commonly included in a kit.

Floats, choke housings and choke pulloffs are usually sold separately, but are relatively easy to replace if defective. Faulty or misadjusted chokes and floats probably account for more carburetor problems than anything else.

Most carburetors today have molded foam floats rather than hollow brass floats. Some import carbs have hollow plastic floats. If a hollow float develops a leak, it will fill with fuel and sink, causing the carburetor to flood.

The solid foam variety can absorb fuel over a period of time. That's why the float should always be weighed when the carburetor is rebuilt. A heavy float will make the fuel mixture rich. Replace heavy floats.

Kits are not for everyone. It takes a fair amount of know-how to properly rebuild and adjust a carburetor. It also takes a lot of time to disassemble, clean, inspect, and reassemble a carburetor. Many professional installers, as well as do-it-yourselfers, prefer to replace a troublesome carburetor rather than to try to rebuild it with a kit.

There are some carburetor problems that cannot be fixed by a kit or by replacing faulty components. Wear around throttle shafts or warpage in the carburetor body or throttle plate can create vacuum leaks that foul up fuel metering. The only option here is replacement.

Most rebuilt carburetors are sold on an exchange basis, so it's important to make sure that the exchange carburetor is complete (all external parts intact), has not been disassembled, and is correct for the application.

If a base gasket is not included with the replacement, be sure your customer gets one before he leaves. Your customer may also need new fuel hose, fuel filter, and air filter to complete the installation.

Throttle Body


Because there are many small components included in a TBI kit, it is important to inspect each kit to verify that everything is included. Installers must pay close attention to the kit when assembling the unit to be sure small parts are placed in their respective positions.

 

OneStop Auto Shop

Call Today for all of your Auto Repairs

and Maintenance in Hollywood, Ca.!

(323) 227-9999

 

auto repair specials

 

ase certified auto mechanic

 

bbb auto mechanic hollywood ca

 

 

OneStop Auto Repair

7935 Santa Monica Blvd.

West Hollywood, CA. 90046

323-227-9999 

 

 

auto repair reviews hollywood

 

 One Stop Auto Shop Reviews

 

facebook onestop auto shopgoogle places onestop auto shop hollywood cayoutube onestop auto shop hollywood ca

 

 

all major credit cards accepted for auto repair

 

 
One Stop Auto is a full service auto repair shop
one stop auto shop in hollywood california about onestop auto shop hollywood one stop auto shop services hollywood auto shop faqs hollywood auto shop tune up specials hollywood auto shop photos contact onestop auto shop hollywood
dodge auto repair hollywood ca chevy auto repair hollywood ca lexus auto repair hollywood ca Saturn auto repair hollywood ca hyundai auto repair hollywood ca nissan auto repair hollywood ca porsche auto repair hollywood ca honda auto repair hollywood ca toyota auto repair hollywood ca toyota auto repair hollywood ca ford auto repair hollywood ca vw auto repair hollywood ca cadillac auto repair hollywood ca jeep auto repair hollywood ca kia auto repair hollywood ca

2012 onestopauto.com   |   Privacy Policy   |   Sitemap

 

Providing Auto Service for the following vehicles and more

 

Audi   BMW   Cadillac   Chevy   Chrysler    Dodge   Ford   Honda   Hyundai   Jeep   Kia   Land Rover

Lexus   Lincoln   Mazda   Mercedes   Mitsubishi    Nissan   Porsche   Saturn   Sion   Toyota   Volvo   VW

Hollywood Web Design